🔍 Key Concepts
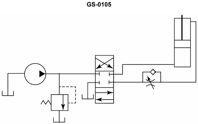
• Center position of a 4-way, 3-position directional control valve – does it block, connect, or unload the pump and actuator ports?
• Flow path from the pump when the valve is centered – does oil go to the actuator, to the sump, across a relief valve, or through a reducing/unloading valve?
• Pressure at each end of the actuator when both lines are blocked vs connected – and how an external load can change those pressures.
💭 Think About
• Trace the hydraulic path with the valve in the center square only: where does pump discharge actually go, and are the actuator ports open to each other, to tank, or blocked?
• Look at the small valve symbol near the actuator: is it a reducing valve, relief valve, or check valve, and is there any flow through it when the main valve is centered?
• If the actuator is holding a load with both lines blocked, will the pressures at the rod and cap ends necessarily be equal, or can they be different because of piston area and load?
✅ Before You Answer
• Verify whether the pump flow has any direct path back to the sump in the center position (through a relief or unloading valve).
• Confirm if both actuator ports are blocked in the center position, or if they are connected together or to tank.
• Check that the reducing valve symbol near the actuator only controls one line, and consider whether it will pass flow when the main valve is in neutral.