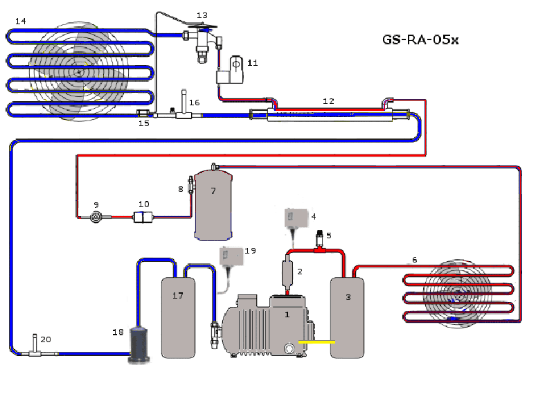
Which of the following items shown in the illustration is a liquid line filter/drier? See illustration GS-RA-05.
• Trace the liquid line leaving the condenser/receiver toward the expansion device and evaporator • Recognize the typical shape and placement of a liquid line filter/drier in a refrigeration schematic • Differentiate between components on the suction side, discharge side, and liquid line of the system
• Follow the flow of refrigerant from the compressor discharge through the condenser, then into the receiver and toward the expansion valve – where along this path is a small canister-shaped component located? • Look at each numbered item in the answer choices and decide whether it is on the low‑pressure (suction) side, high‑pressure discharge side, or in the liquid line • Compare the symbols: which numbered part looks like a sealed canister in the liquid line, not a vessel (receiver/accumulator) or a valve/gauge?
• Confirm which color/line in the drawing represents the high‑pressure liquid line leading to the expansion device • Verify that the chosen number is downstream of the condenser/receiver and upstream of the expansion valve/flow control • Make sure the component you pick is a small inline canister, not a larger storage tank or a control valve
No comments yet
Be the first to share your thoughts!