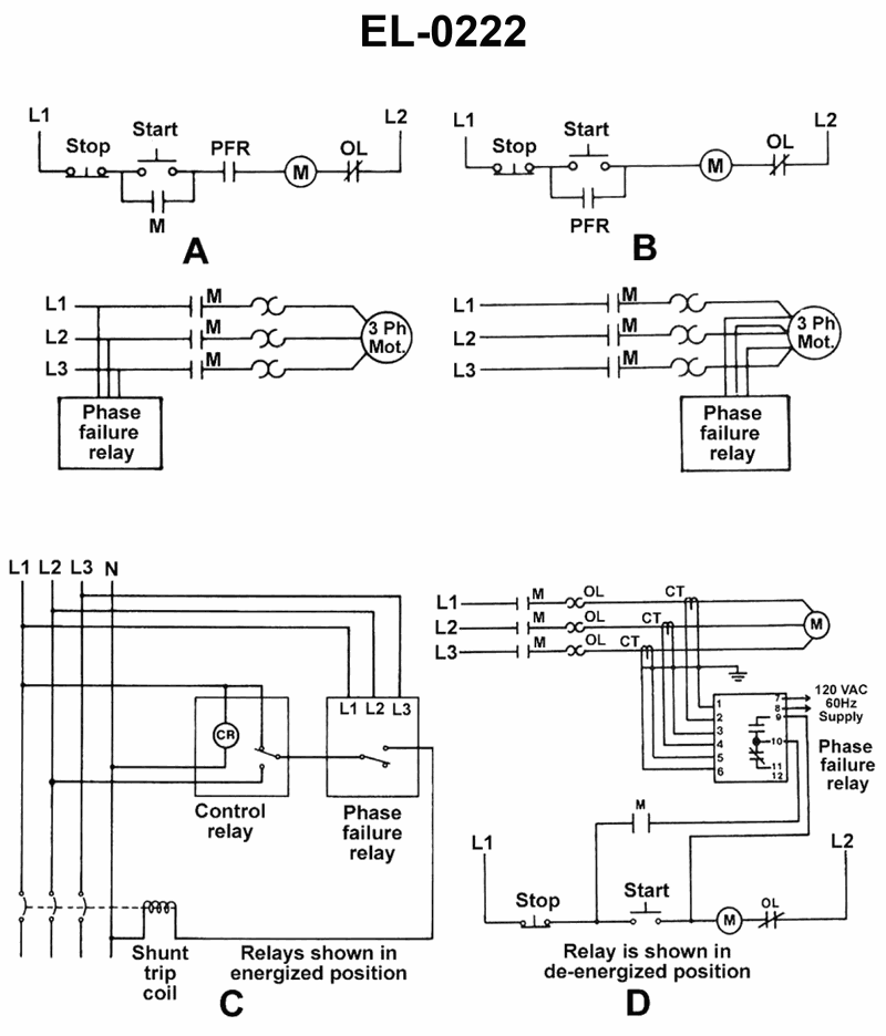
Which of the following illustrated circuit schematics provides phase failure protection for a three phase motor using load side voltage sensing technology? See illustration EL-0222.
• Phase failure protection must sense loss of one phase to de-energize the motor starter coil. • Load side voltage sensing means the relay monitors the voltage on the MOTOR side of the contactor/starter, not on the incoming line side. • Distinguish voltage sensing (direct connection to all three phase conductors) from current sensing (using current transformers or CTs).
• In which schematic is the phase failure relay actually connected to the same three conductors that feed the motor AFTER the starter contacts? • Which diagram clearly shows the relay terminals tied directly to L1, L2, and L3 on the motor side, without using current transformers? • Which options can you eliminate because the relay is monitoring line side power or motor current rather than the load-side phase VOLTAGE?
• Verify that the phase failure relay is connected on the load side of the motor starter/contactor (M contacts), not directly to the supply lines. • Confirm that the relay connections are to L1, L2, and L3 voltage lines, and that there are no CT symbols between the motor lines and the relay. • Check that loss of any phase on the motor terminals would immediately remove the relay’s output and open the control circuit to the starter coil (M).
No comments yet
Be the first to share your thoughts!