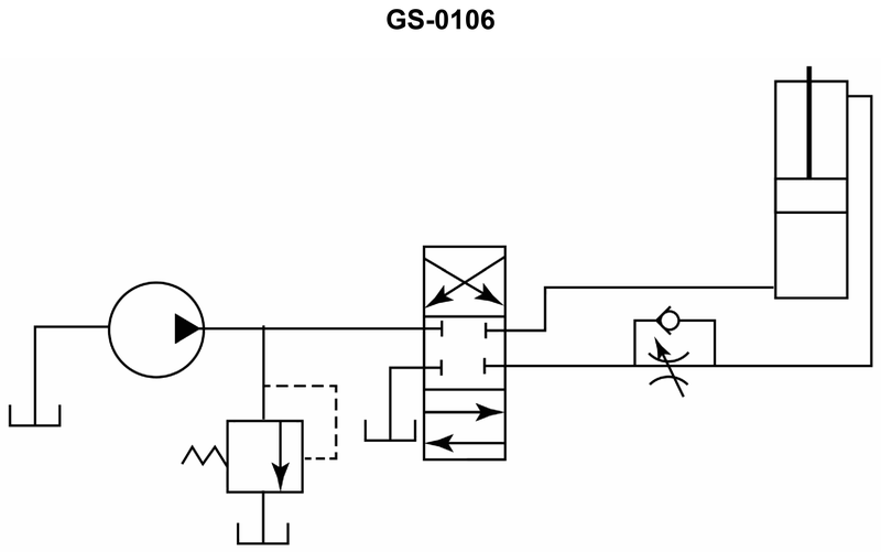
Which of the conditions listed will cause the hydraulic pump relief valve to remain open during the operation of the system? See illustration GS-0106.
• Hydraulic accumulator function – how gas charge affects system pressure and pump loading • Relief valve operation – what makes it open, and what keeps it open vs. just momentarily opening • Effect of flow restrictions vs. pressure settings (restrictor valve vs. relief valve spring) on system pressure at the pump outlet
• In this circuit, think about which component directly determines when the relief valve opens: is it pressure, flow, or gas volume? • Which change would cause the pump outlet pressure to reach the relief setting and then stay at or above that setting, even while the system is operating? • For each option, ask: does this lower system pressure, raise it briefly, or remove the system’s ability to absorb pressure so that the relief must handle it continuously?
• Trace flow from the pump outlet to the relief valve and to the load/accumulator to see what happens when the actuator is at the end of its stroke. • Decide which option would keep pressure at or above the relief set point for an extended period, not just cause a quick spike. • Check which changes mainly affect pressure setting at the relief valve itself versus those that only affect downstream flow or damping.
No comments yet
Be the first to share your thoughts!