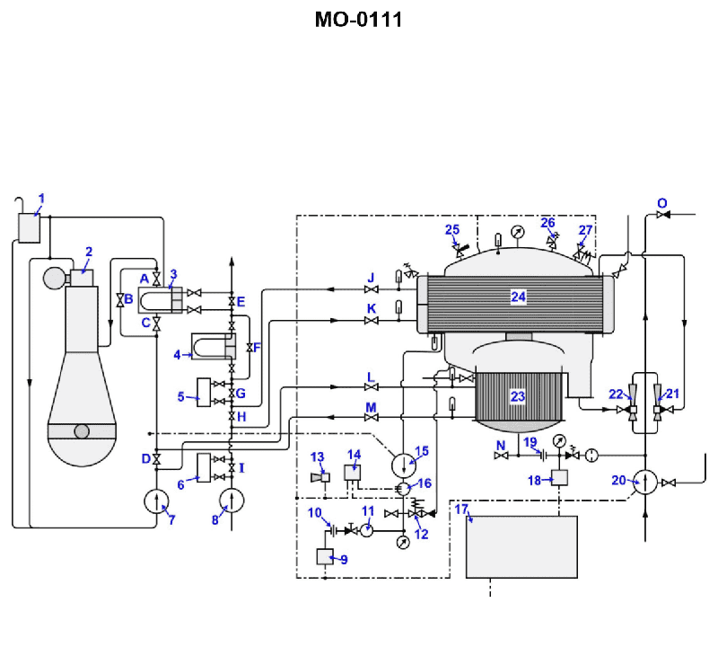
Which device is used to prevent over pressurization of the illustrated distiller? Illustration MO-0111
• Look for the pressure-relief / safety valve symbol on the distiller shell rather than in the feed or discharge lines • Distinguish between control valves or regulators (used to control flow or pressure) and safety devices (used only in an emergency to vent excess pressure) • Note the location of devices mounted on the top of the evaporator/distiller body where pressure could build up
• Which numbered component is directly connected to the distiller shell or vapor space and provides a path for pressure to escape safely? • Which symbols represent instruments or controls (like gauges, sensors, or regulators) rather than a mechanical relief device? • If the distiller became blocked on the outlet side, which device would protect the shell from bursting by opening automatically?
• Verify which number is attached to the top of the main distiller body rather than in the piping leading to or from it • Check the symbol legend you know for spring-loaded safety/relief valves versus simple stop valves or check valves • Confirm that the chosen device would open automatically at a set pressure and is not just an indicator (like a pressure gauge) or a manual vent valve
No comments yet
Be the first to share your thoughts!