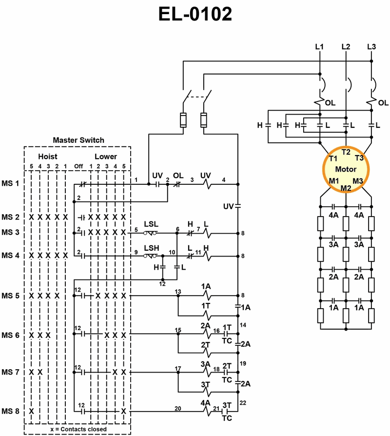
What statement is true concerning the "MS 1" contacts of the master switch shown in the illustration? Illustration EL-0102
• Master switch contact table on the left side of the diagram • How each MS contact row (MS 1–MS 8) changes between Hoist / Off / Lower positions • The meaning of the X marks under each handle position for MS 1
• Look only at the MS 1 row and note in which Hoist, Off, and Lower positions the X’s appear; what does that pattern tell you about when MS 1 is closed? • Compare MS 1’s pattern with any other MS rows that are closed in both Hoist and Lower, or only one of them; how is MS 1 different? • Translate the observed pattern into plain English: "MS 1 is closed when..." and see which choice says that
• Be sure you are reading the correct row (MS 1), not MS 2–MS 8 • Confirm which column group is Hoist, which is Off, and which is Lower before deciding • Verify whether MS 1 is ever closed in Off position at all; this will immediately rule out some options
No comments yet
Be the first to share your thoughts!