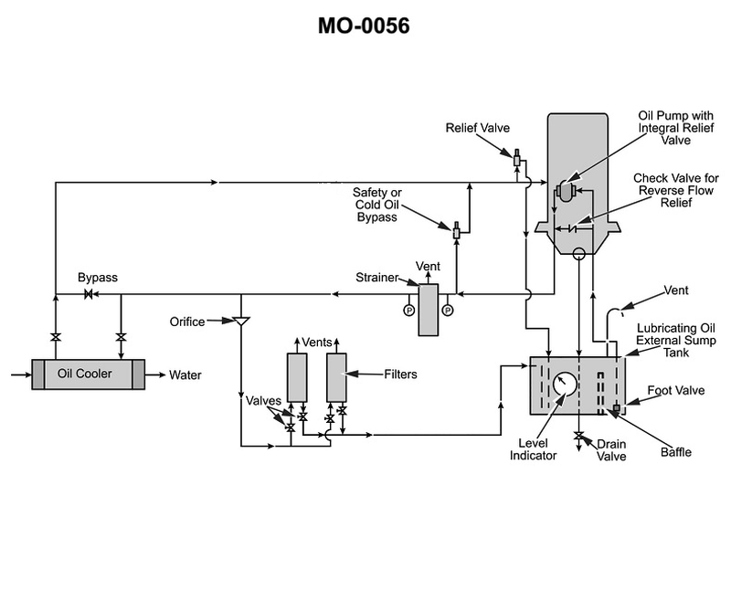
The standard diesel engine lubricating oil filtering system shown in the illustration is classed as a __________. See illustration MO-0056.
The standard diesel engine lubricating oil filtering system shown in the illustration is classed as a __________. See illustration MO-0056.
No comments yet
Be the first to share your thoughts!