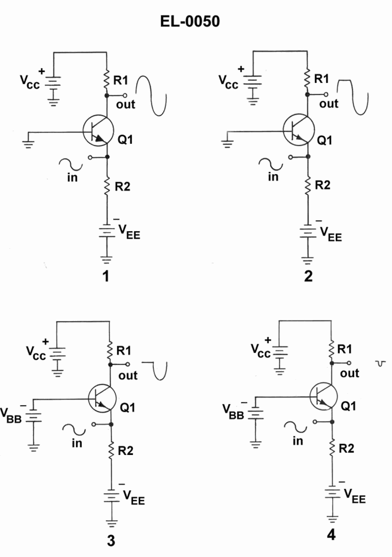
🔍 Key Concepts
• How base bias voltage (VBB) sets the transistor’s quiescent (no-signal) operating point
• Relationship between bias point and conduction angle (how much of the input sine wave the transistor conducts) for classes A, AB, B, and C
• Compare figure 4’s bias network with the other three figures to see if the transistor is biased well into conduction, just at cutoff, or well below cutoff
💭 Think About
• Look at where the base voltage is set in figure 4 relative to the emitter voltage. Is the base strongly forward‑biased, barely forward‑biased, or actually reverse‑biased at no signal?
• Think about what that base condition means for how many degrees of the input sine wave will produce collector current: almost all of it, about half, slightly more than half, or less than half?
• Compare figure 4 to the classic textbook definitions of class A, class AB, class B, and class C in terms of conduction angle (360°, >180°–<360°, 180°, or <180°).
✅ Before You Answer
• Verify whether VBB in figure 4 makes the base more negative or more positive than in the other circuits
• Confirm whether the transistor in figure 4 is conducting at the quiescent point (no input signal) or is cut off until the input swings far enough
• Match that conduction behavior to the standard amplifier class definitions: Class A (360°), Class AB (>180°–<360°), Class B (180°), Class C (<180°)