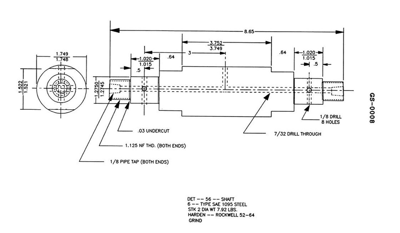
The maximum diameter of the device...
Question 1 of 27070
Q
The maximum diameter of the device illustrated is __________. See illustration GS-0008.
A
1.275 inches
B
1.522 inches
C
1.749 inches
D
3.752 inches
Question 1 / 27070
5eccef9abacbc34ba4d45068
Question 1 of 27070
5eccef9abacbc34ba4d45068
The maximum diameter of the device illustrated is __________. See illustration GS-0008.
Show Hint
Show Illustration
Chat with Navigator AI
A
1.275 inches
B
1.522 inches
C
1.749 inches
D
3.752 inches
Discussion
(0)
Show More
Back
Back
Back
Question 1 of 27070
5eccef9abacbc34ba4d45068
Q
The maximum diameter of the device illustrated is __________. See illustration GS-0008.
A
1.275 inches
B
1.522 inches
C
1.749 inches
D
3.752 inches
Back
Next
Discussion