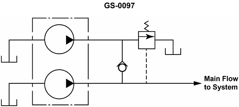
The illustrated hydraulic pump graphic symbol is used to depict a __________. Illustration GS-0097
• How hydraulic schematic symbols show pumps in series vs pumps in parallel • Meaning of a dashed outline around multiple components in a hydraulic diagram (a single pump unit made of more than one pump) • What an unloading / changeover valve does in a multi-pump or multi-stage system
• Look at the outlet lines of the two pumps: do they feed into each other (end of first into suction of second) or do they both feed into the same pressure line? What does that tell you about series flow vs another arrangement? • Notice the valve on the discharge side: in what kind of multi-pump arrangement would you need a valve that can divert or unload one pump at a certain pressure? • How many distinct pressure stages or flow paths can this unit provide to the system, and under what condition might one pump be taken out of the circuit?
• Verify whether the two pump symbols share a common suction and a common discharge line or are connected end‑to‑end • Check if the dashed box indicates a single combined assembly rather than two completely independent pumps • Confirm whether the flow path and valve arrangement would create different operating modes (high flow/low pressure vs low flow/high pressure), and match that idea to the best answer choice
No comments yet
Be the first to share your thoughts!