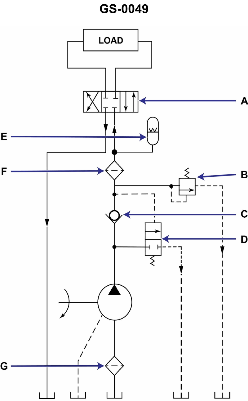
The dashed line to the illustrated pump is the __________. See illustration GS-0049.
• Hydraulic schematic symbols – what solid lines vs dashed lines usually represent • Function of a variable-displacement / pressure-compensated pump and how it is controlled • Difference between a relief valve outlet, drain line, and control/feedback line in a hydraulic system
• Trace where the dashed line connected to the pump actually goes and what component it links to. Is it going back to the reservoir, to a valve, or to a control device on the pump? • Think about what must physically happen to the pump when system pressure changes. Which of the choices would need a signal line going back to the pump body? • Look at the other dashed lines in the drawing. Do they appear to be going to tank (sump) or to control ports on other valves? Are they doing the same thing as the dashed line on the pump?
• Confirm what the standard drawing convention is for dashed hydraulic lines in this set of exam schematics (pilot/control vs drain). • Verify whether the line in question ends at the reservoir/sump symbol or at a control port on another component. • Make sure the function you pick would reasonably require a pressure signal back to the pump, not just a place for leakage oil to return.
No comments yet
Be the first to share your thoughts!