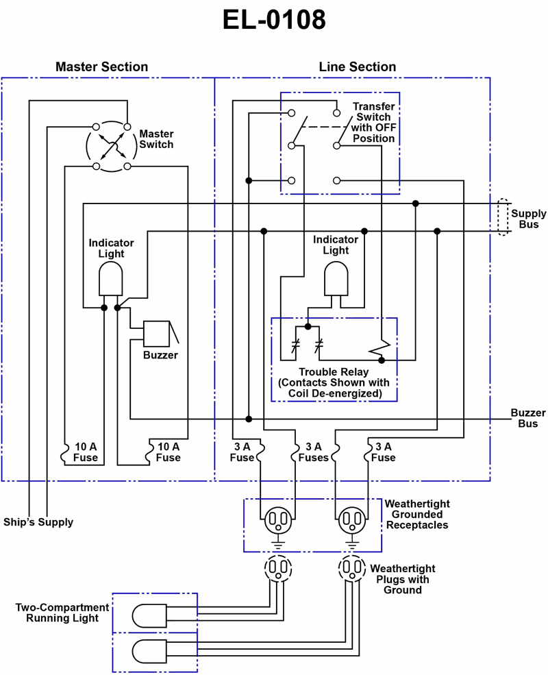
Referring to the illustration pertaining to the semi-automatic navigation light panel circuit, if the buzzer sounds and the masthead indicator light comes on, what statement is true concerning acknowledging and responding to the alarm while minimizing the danger to navigation? Illustration EL-0108
• Two-compartment running light fixture and what the transfer switch actually does in this circuit • How the trouble relay, buzzer, and indicator lights interact when one lamp in the running light fails • Navigation Rules requirement to keep the masthead light exhibited and avoid unnecessarily darkening all running lights
• Trace the power path from the supply bus, through the transfer switch, to each of the two lamps. What happens to the circuit — and the relay coil — if one lamp burns out and you move the transfer switch to the other position? • Compare what each possible action in the choices does to (1) the alarm circuit and (2) whether any masthead light is actually lit. Which option restores a working masthead light the fastest while also stopping the alarm? • If you turn OFF either the masthead line section or the master section, what does that do to ALL navigation lights and to the alarm? Is that consistent with minimizing danger to navigation?
• Identify which switch position in the transfer switch with OFF position will feed the other lamp in the two-compartment running light. • Determine which device (master switch vs. line transfer switch) controls all lights versus just the one masthead running light circuit. • Confirm that the correct response both restores illumination to a masthead light and causes the trouble relay to drop or reset, which in turn silences the buzzer.
No comments yet
Be the first to share your thoughts!