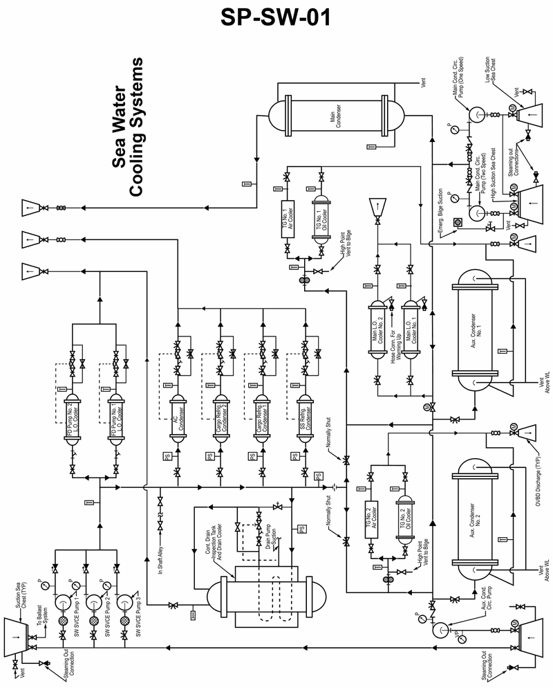
Referring to the illustrated steam plant sea water cooling system drawing, which pump can be used to pump out the main machinery space bilge in a flooding emergency? Illustration SE-0023
• Trace the bilge suction or "to bilge" lines on the sea water cooling diagram and see which pump they connect to. • Identify which pumps are sea water circulating pumps for the main condenser versus sea water service pumps for general services. • Remember that only a pump that has a direct suction from the bilge (or to an eductor serving the bilge) can act as an emergency bilge pump.
• On the illustration, follow the piping from the main machinery space bilge: which specific pump casing or suction header does it actually tie into? • Compare the suction and discharge lines of the main sea water circulating pumps and the auxiliary sea water circulating pump with those of the sea water service pumps—do they all have a bilge connection, or only one group? • Think about why classification rules usually require a designated emergency bilge pumping arrangement rather than using any random pump. How is that reflected in this drawing?
• Verify which pump(s) have a clearly labeled bilge suction or a line marked "Vent to Bilge" or "From Bilge" tied into their suction side. • Confirm whether the main condenser circulating pumps (single-speed or two-speed) have any connection to the bilge at all on the diagram. • Double‑check that the pump you choose can both take suction from the bilge and discharge overboard independently of the main condenser circuit.
No comments yet
Be the first to share your thoughts!