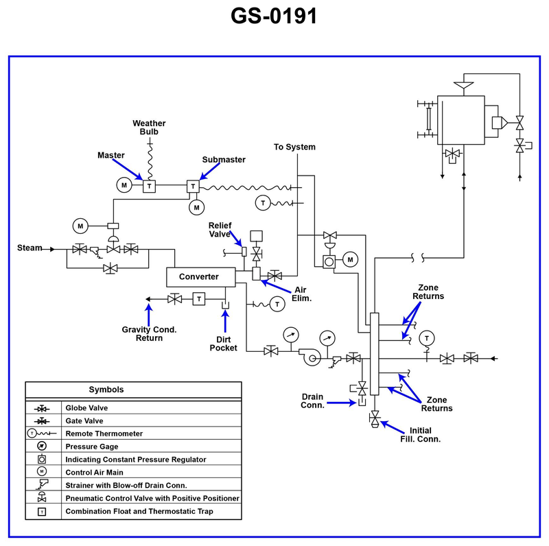
Referring to the illustrated drawing of the central-station hookup for a hot water heating system, what statement is true concerning the air separator on the heated water outlet of the converter? Illustration GS-0191
• Trace the flow path of makeup water from the initial fill/makeup connection through the expansion tank and into the converter • Understand where dissolved air comes out of solution in a hot-water heating system (cold side vs. heated outlet) • Identify the purpose and best location of an air separator / air eliminator in a closed hot-water loop
• In the diagram, follow each possible air source mentioned in the options and ask: does that air actually end up in the water side at the outlet of the converter? • Consider at what point the water is hottest and where dissolved gases are most likely to be released, then match that to the location of the air separator • Ask which component in the drawing is responsible for venting or releasing air to atmosphere, and how that relates to the air separator on the converter outlet
• Verify which line carries makeup/initial fill water into the system and how it connects to the expansion tank and then to the converter • Check whether steam/condensate on the left side can mix with the hot water on the right side or if they are separated by the heat-exchanger tubes • Confirm that the air separator is located on the hottest water outlet from the converter, where air released from solution would be easiest to remove
No comments yet
Be the first to share your thoughts!