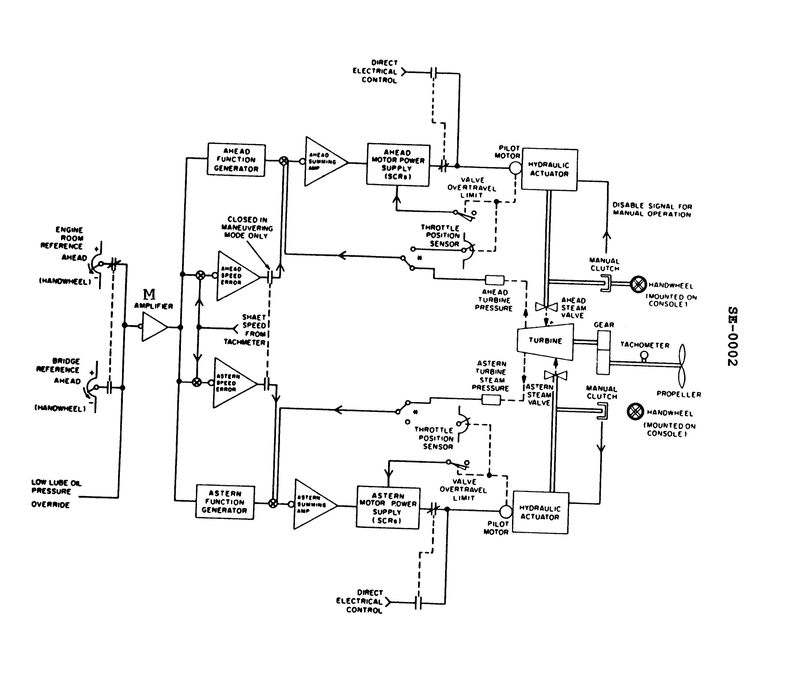
In the illustrated throttle control system, the amplifier 'M" functions to invert the signal received from the engine room or bridge reference potentiometer as appropriate. According to the operating mode selected for in the illustration, moving the engine room reference potentiometer in the direction indicated will have what effect? Illustration SE-0002
In the illustrated throttle control system, the amplifier 'M" functions to invert the signal received from the engine room or bridge reference potentiometer as appropriate. According to the operating mode selected for in the illustration, moving the engine room reference potentiometer in the direction indicated will have what effect? Illustration SE-0002
No comments yet
Be the first to share your thoughts!