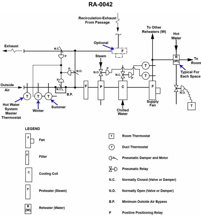
In the illustrated terminal reheat multiple zone system, what statement represents the functioning of the supply air duct thermostats controlling the preheater steam flow and the cooling coil chilled water flow? Illustration RA-0042
A
The thermostat controlling the preheater steam flow is set several degrees higher than the design cooling coil off-coil temperature to prevent simultaneous flows.
B
The thermostat controlling the preheater steam flow is set at the design cooling coil off-coil temperature to allow simultaneous flows.
C
The thermostat controlling the preheater steam flow is set at the design cooling coil off-coil temperature to prevent simultaneous flows.
D
The thermostat controlling the preheater steam flow is set several degrees lower than the design cooling coil off-coil temperature to prevent simultaneous flows.
Question 1 / 2707066636eee28f7522a1c51ebbb
Question 1 of 2707066636eee28f7522a1c51ebbb
In the illustrated terminal reheat multiple zone system, what statement represents the functioning of the supply air duct thermostats controlling the preheater steam flow and the cooling coil chilled water flow? Illustration RA-0042
In the illustrated terminal reheat multiple zone system, what statement represents the functioning of the supply air duct thermostats controlling the preheater steam flow and the cooling coil chilled water flow? Illustration RA-0042