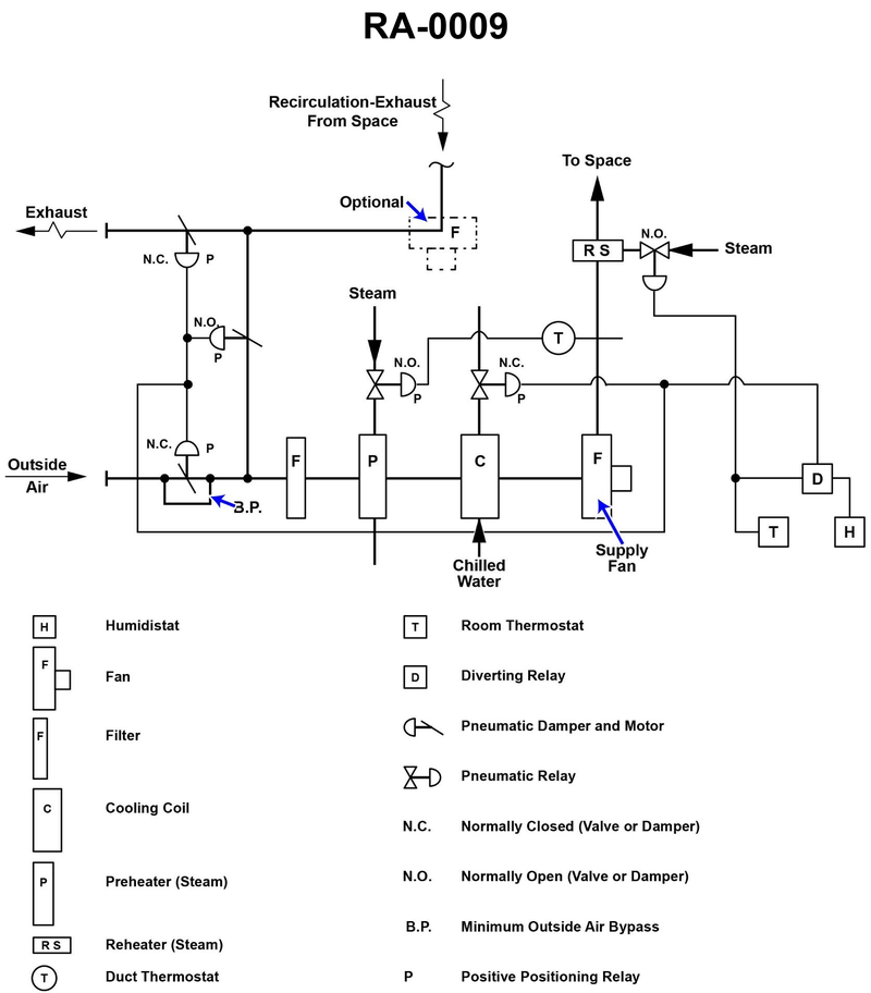
In the illustrated single zone HVAC system, what statement represents the functioning of the diverting relay as it controls the cooling coil flow and the exhaust, outside air and recirculation dampers? Illustration RA-0009
A
The diverting relay processes the room thermostat control signal as long as the space humidity is below the humidistat setpoint. The diverting relay processes the room humidistat control signal if the space humidity exceeds the humidistat setpoint.
B
The diverting relay processes the humidistat control signal as long as the space humidity is below the humidistat setpoint. The diverting relay processes the room thermostat control signal if the space humidity exceeds the humidistat setpoint.
C
The diverting relay processes the humidistat control signal as long as the space temperature is below the thermostat setpoint. The diverting relay processes the room thermostat control signal if the space temperature exceeds the thermostat setpoint.
D
The diverting relay processes the room thermostat control signal as long as the space temperature is below the thermostat setpoint. The diverting relay processes the room humidistat control signal if the space temperature exceeds the thermostat setpoint.
Loading interactive features...
Question 1 / 2066636eee28f7522a1c51eba5
Question 1 of 2066636eee28f7522a1c51eba5
In the illustrated single zone HVAC system, what statement represents the functioning of the diverting relay as it controls the cooling coil flow and the exhaust, outside air and recirculation dampers? Illustration RA-0009
In the illustrated single zone HVAC system, what statement represents the functioning of the diverting relay as it controls the cooling coil flow and the exhaust, outside air and recirculation dampers? Illustration RA-0009