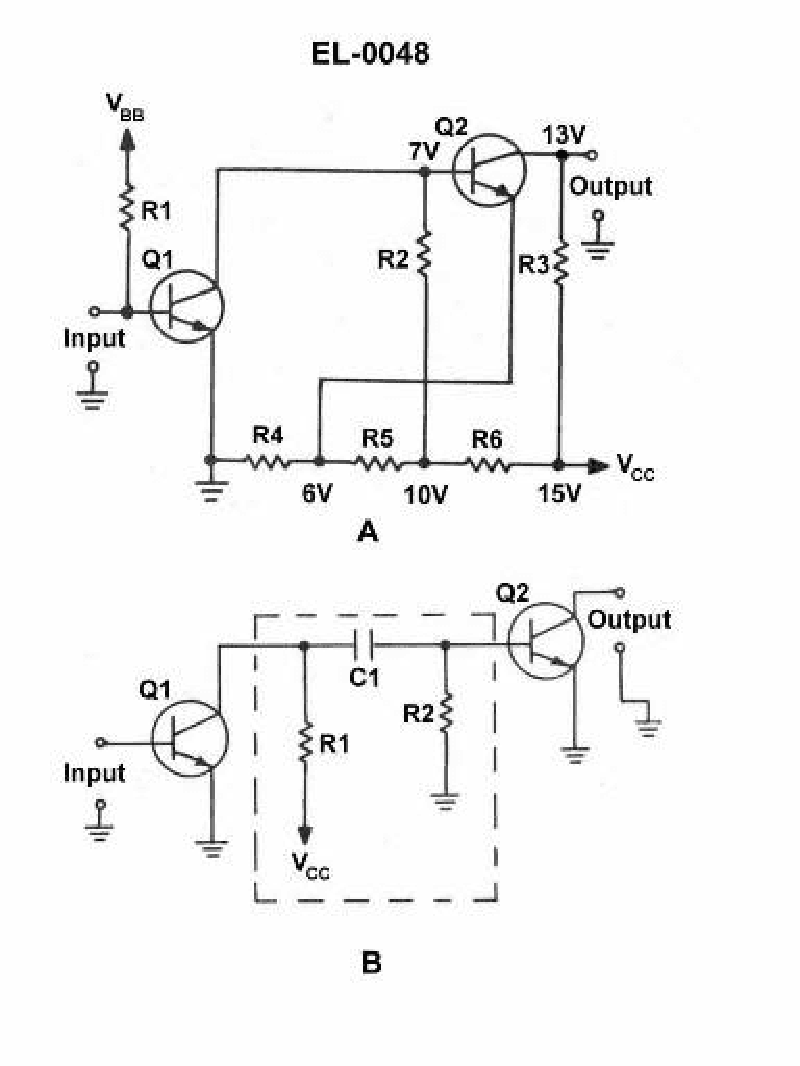
In the illustrated circuit, what is one advantage of the RC coupling over a direct coupling? See illustration EL-0048.
as the frequency decreased the capacitive reactance (Xc) increases
the amplifier becomes more efficient at lower capacitance.
the arrangement allows the coupling of the signal while it isolates the biasing of each stage.
good frequency response.
No comments yet
Be the first to share your thoughts!