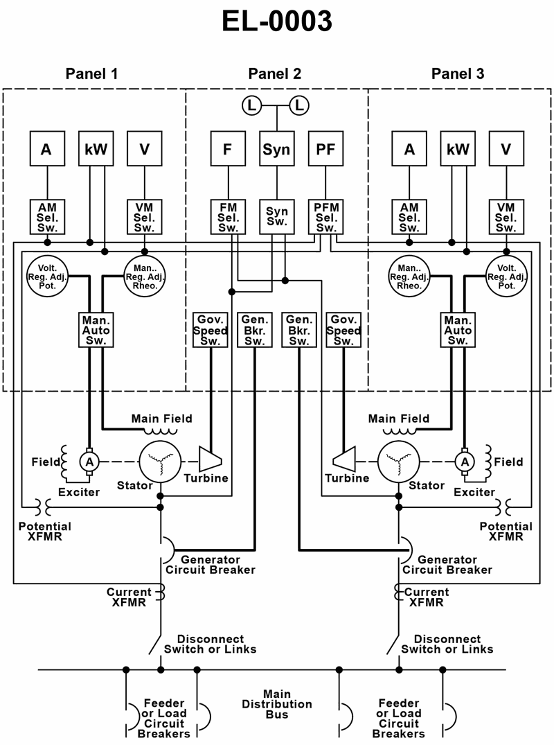
In the diagram of the switchboard shown in the illustration, if one of the turbines should fail due to a throttle trip, what will happen? Illustration EL-0003
• Turbine trip and generator behavior in an AC ship’s power plant • Function of a reverse power relay on a generator that is still connected to the bus • How the exciter, main field, and generator circuit breaker are arranged in the EL-0003 switchboard diagram
• When a turbine trips, what happens to the prime mover torque on that alternator while it is still connected to the main distribution bus? Does power flow into it or out of it? • Looking at the diagram, which device would act to protect a failed turbo‑alternator from being motored by the rest of the system? How would that protection operate? • Which options describe normal automatic protective action, and which ones describe actions that would be manual or unrelated to a single‑generator turbine trip?
• Identify in the diagram where the reverse power relay would sense current and power direction relative to the generator circuit breaker. • Decide whether a turbine trip should cause the generator to become a motor load on the bus unless a protective device operates. • Verify whether the emergency generator is intended to start for a single‑turbine trip when ship service power is still available from another online unit.
No comments yet
Be the first to share your thoughts!