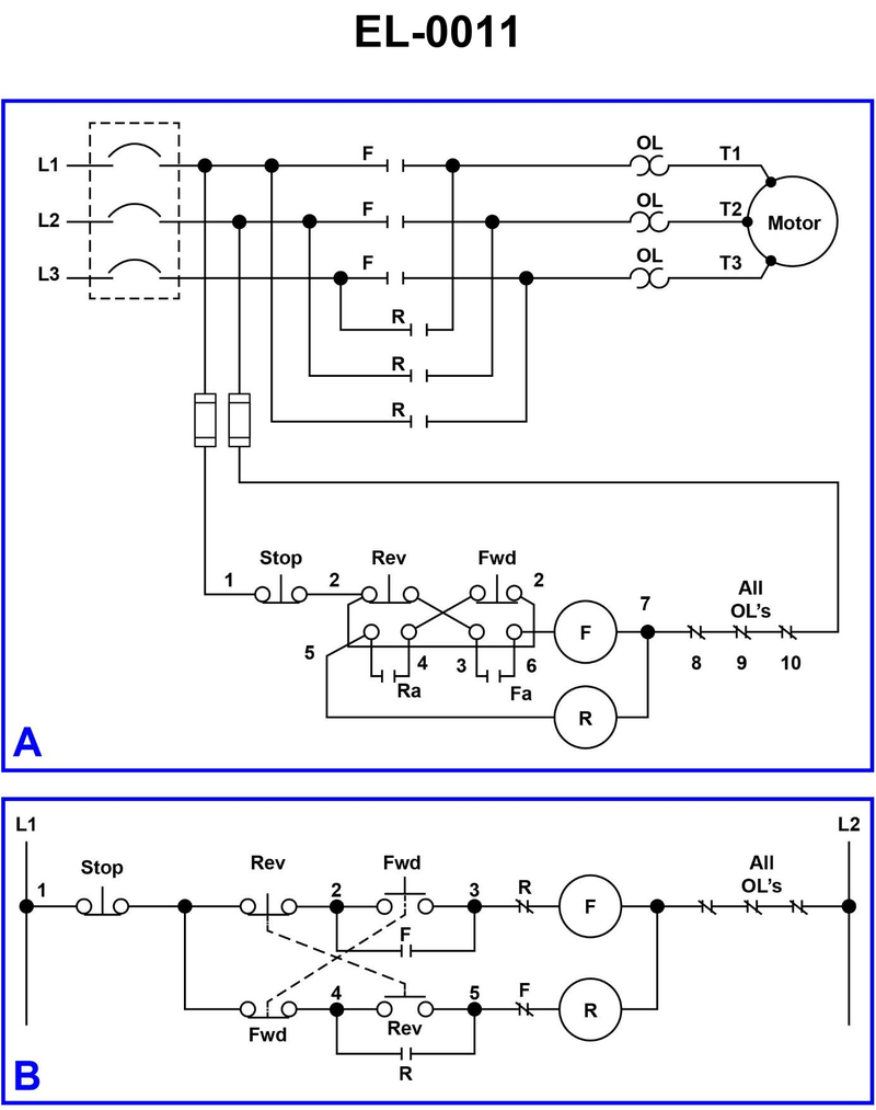
If a three-phase motor controlled by the control circuit illustrated in figure "B" of the illustration, is running in the forward direction, which of the following sequences must occur before the motor will reverse rotation? Illustration EL-0011
• Look at figure B and trace the control circuit for the forward (F) and reverse (R) contactor coils. • Identify which auxiliary contacts labeled F are normally open (NO) and which are normally closed (NC), and notice where they are placed in the reverse coil circuit. • Think about why an electrical interlock is used so that the forward and reverse contactors cannot be energized at the same time.
• When the motor is running forward, which F contacts change state from their normal condition, and how does that affect the path of current to the R coil? • Before the reverse start button can successfully energize the R coil, what must happen to the F coil and to the F auxiliary contact that is in series with the R coil? • Look at the seal-in (holding) circuit for the F coil: what happens to those F contacts when you hit the stop button, and how does that prepare the circuit for reverse operation?
• Verify which F contact in the reverse circuit is shown with NC symbols and confirm what its state is when F is energized versus de-energized. • Confirm that the motor must not be able to energize F and R at the same time; ensure the sequence you pick respects this interlock. • Check carefully whether the option you choose correctly describes the action of the normally closed versus normally open F contacts as drawn in figure B.
No comments yet
Be the first to share your thoughts!