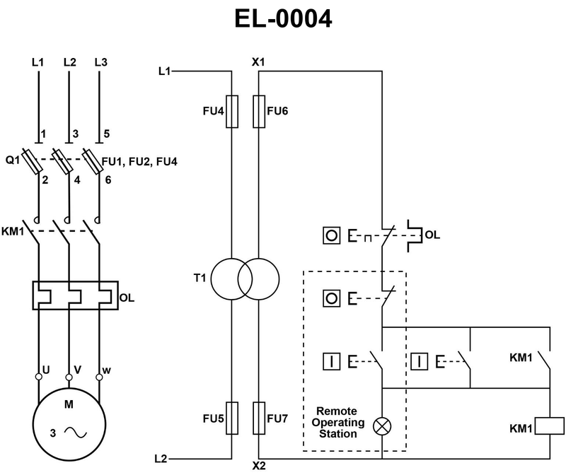
Concerning the illustrated motor controller circuit, which statement is true? See illustration EL-0004.
The local and remote start button switches are wired in series with one another.
The local and remote stop button switches are wired in parallel with one another.
The motor status light is a motor "stopped" light..
The local stop switch and the overload relay reset mechanism utilize the same button.
No comments yet
Be the first to share your thoughts!