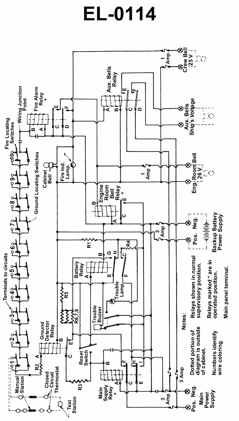
Concerning the illustrated fire detection and alarm system, when the system is operating normally and under supervision, what is the status of the ground detector and the fire alarm relays? Illustration EL-0114
A
The ground detector relay is energized and the fire alarm relay is de-energized.
B
Both the ground detector and the fire alarm relays are both de-energized.
C
The ground detector relay is de-energized and the fire alarm relay is energized.
D
Both the ground detector and the fire alarm relays are both energized.
Loading interactive features...
Question 1 / 2066636eed28f7522a1c51d431
Question 1 of 2066636eed28f7522a1c51d431
Concerning the illustrated fire detection and alarm system, when the system is operating normally and under supervision, what is the status of the ground detector and the fire alarm relays? Illustration EL-0114
Concerning the illustrated fire detection and alarm system, when the system is operating normally and under supervision, what is the status of the ground detector and the fire alarm relays? Illustration EL-0114