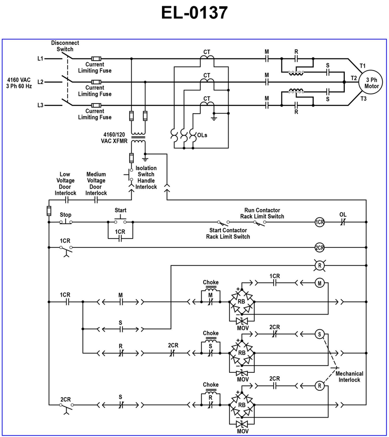
As shown in the illustration, what type of motor and motor starter are featured? Illustration EL-0137
• Look at how many contactors feed the motor terminals (T1, T2, T3) and whether any of them swap phase leads, which would indicate a reversing starter. • Check the power circuit (upper part of the diagram) for any autotransformer windings or series reactors used to reduce voltage during starting, as opposed to a simple direct (across‑the‑line) connection. • Note that all answer choices use a squirrel cage induction motor; focus your attention on identifying the starter type and whether it is reversing or non‑reversing.
• In the power circuit, trace each phase from the 3‑phase supply to the motor. Do any paths go through transformer windings or reactors before reaching the motor, or do they connect directly through contactors? • Look closely at the contactors labeled M, S, and R: do any of these contactors reroute or cross two of the phase lines going to the motor, which would cause the motor to run in the opposite direction? • Compare the control section at the bottom: do the interlocks and contactor coils appear arranged to select between two opposite motor directions, or do they simply sequence a start and run condition at reduced voltage?
• Verify whether there is any autotransformer symbol (multiple taps on a common magnetic core) in the motor power circuit, separate from the small control‑power transformer. • Verify whether any pair of motor leads are crossed through a second contactor set (a hallmark of a reversing starter). • Verify whether there are series reactors (labeled as such) in the main 3‑phase power lines to the motor, or if the only inductive components are in the control circuit and surge‑suppression networks.
No comments yet
Be the first to share your thoughts!