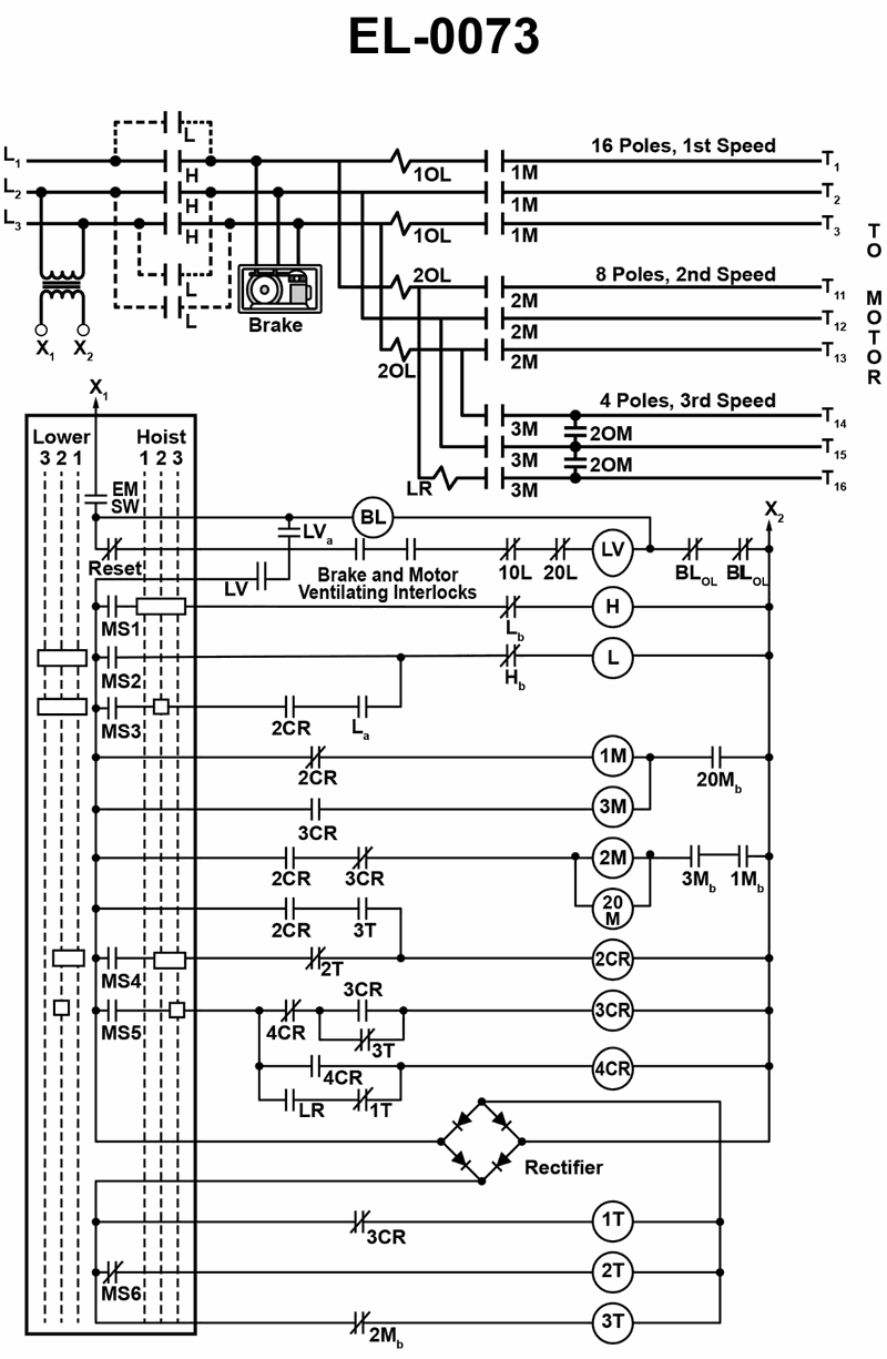
As shown in the illustration of the elementary diagram of a three speed anchor windlass controller, which of the following contactor, relay, or timer coils operates with DC voltage? Illustration EL-0073
• Follow the control power circuit from X1–X2 and notice where the rectifier is located in relation to the coils. • Identify which coils (1M, LV, 2T, H) are connected directly to AC control power and which are fed after the rectifier (DC). • Remember that any coil supplied on the output side of a bridge rectifier will be operating on DC voltage.
• On the lower part of the diagram, which labeled coils are shown connected to the lines that come out of the rectifier symbol? • Which of the listed coils (1M, LV, 2T, H) can you see tied into the same lines as the 1T, 2T, 3T coil symbols, and what does that imply about their supply? • If a coil is connected between X1 and X2 with no rectifier in between, what type of voltage is it most likely using?
• Carefully trace the wiring from X1 and X2 down to the rectifier and then to each coil symbol. • Verify which of the answer choices is actually drawn on the DC side of the rectifier rather than the AC side. • Double‑check coil labels: make sure you are not confusing contactor coils (1M, H, LV) with the time‑delay relay coils (1T, 2T, 3T) when reading the diagram.
No comments yet
Be the first to share your thoughts!