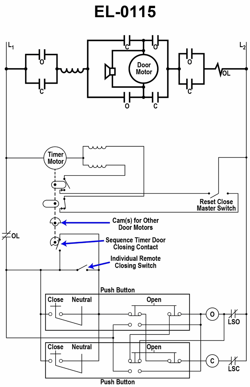
As shown in the illustrated electrically operated watertight door controller, by what action are all the watertight doors automatically closed in an ordered sequence so as to not overload the emergency power supply? See illustration EL-0115.
A
depressing the individual remote closing switches for each door sequentially at the damage control station
B
depressing the individual local closing switches for each door sequentially at the near side of the watertight doors
C
depressing the individual local closing switches for each door sequentially at the far side of the watertight doors
D
placing the reset-close master switch in the close position at the damage control station
Question 1 / 270705eccefa4bacbc34ba4d48503
Question 1 of 270705eccefa4bacbc34ba4d48503
As shown in the illustrated electrically operated watertight door controller, by what action are all the watertight doors automatically closed in an ordered sequence so as to not overload the emergency power supply? See illustration EL-0115.
As shown in the illustrated electrically operated watertight door controller, by what action are all the watertight doors automatically closed in an ordered sequence so as to not overload the emergency power supply? See illustration EL-0115.