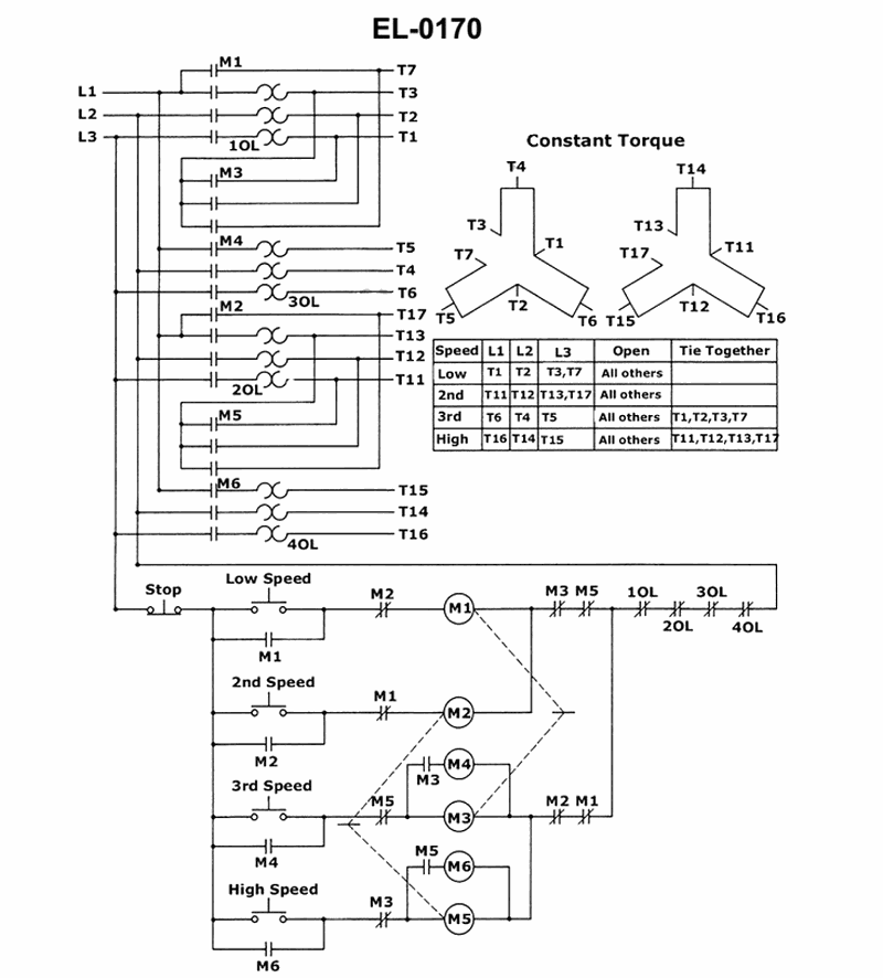
As shown in the illustrated 4-speed, 3-phase motor controller, contactor "M1" is electrically interlocked with what other contactors? See illustration EL-0170.
• Electrical interlock vs. mechanical interlock in a multi‑speed motor starter (dashed line vs. auxiliary contacts in the control circuit). • How normally-closed (NC) auxiliary contacts are placed in series with a coil to prevent two contactors from being energized at the same time. • Tracing the control circuit for coil M1 on the lower (ladder) portion of the diagram to see which other contact labels appear in series with it.
• On the ladder diagram, follow the path from the control power line, through the STOP and speed selector pushbuttons, to coil M1. Which contact symbols (labeled with other “M” designations) must be closed for M1 to energize? • Which other contactors would be forced to drop out (because their NC auxiliaries open) if M1 picked up, and vice versa? Focus only on contacts that are actually wired in series with coils, not those just shown with dashed mechanical linkages. • Compare the interlocking pattern used for M1 with the rungs for M2, M3, M4, M5, and M6. Which ones share mutual NC auxiliary interlocks with M1 so they can’t be energized together?
• Verify which contacts in the M1 rung are NC auxiliary contacts labeled with other contactor numbers (M2, M3, etc.), not overloads (OL) or limit switches. • Confirm that you are only counting electrical interlocks in the control circuit, not mechanical interlocks indicated by dashed lines between contactors. • Before choosing, re‑check that every contactor you include in your answer both: (1) has its NC contact in series with coil M1, or (2) has coil wiring that includes an NC contact labeled M1, showing a mutual electrical interlock.
No comments yet
Be the first to share your thoughts!