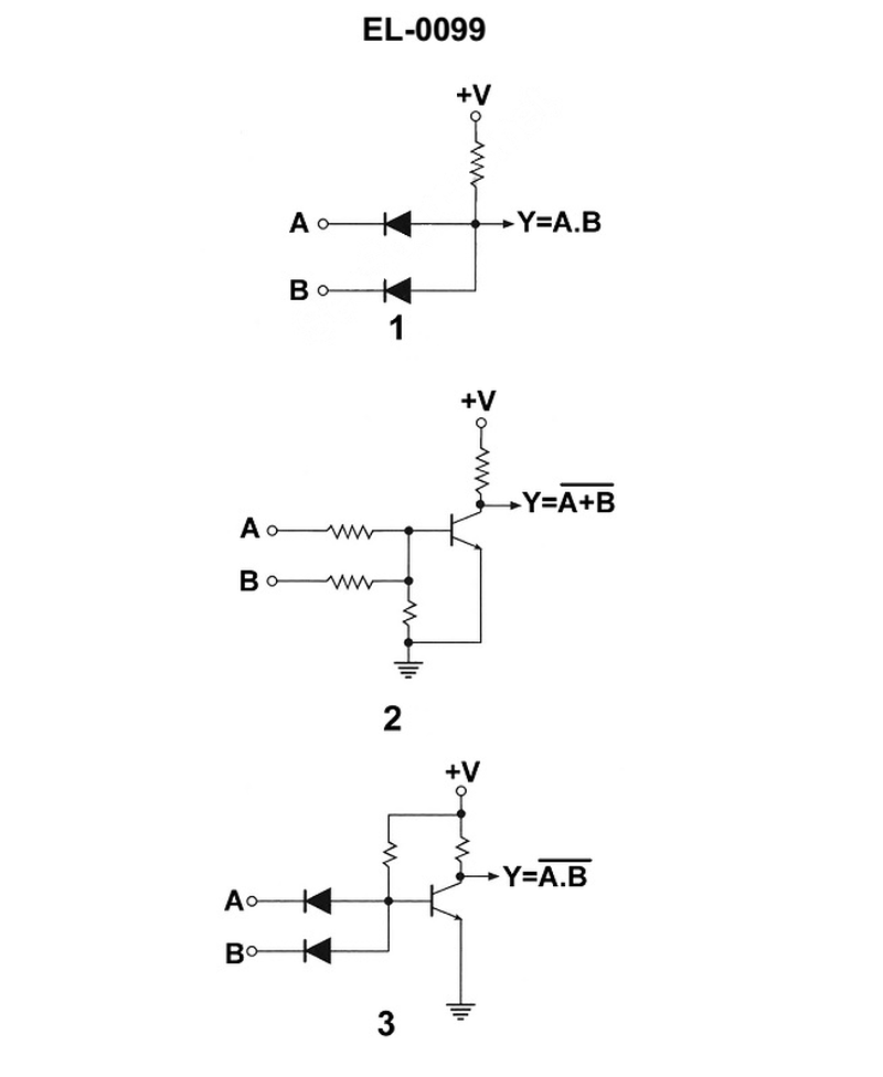
As shown in figure "1" of the illustration, which statement is true? See illustration EL-0099.
⢠Notice the orientation of the diodes in figure 1 (which side is toward +V and which side is toward the inputs). ⢠Think about how a pullāup resistor to +V works when nothing is conducting versus when a diode becomes forwardābiased. ⢠Relate the resulting truth table (for Y vs. A and B) to the standard definitions of AND gate and OR gate and note that this circuit uses only diodes and a resistor (no transistor).
⢠If A is HIGH and B is LOW, which path will current take through the diodes, and will the output Y be pulled HIGH or LOW? ⢠Under what input condition(s) will none of the diodes conduct and the pullāup resistor alone determine Y? Compare that condition to the truth tables of AND and OR. ⢠Does this circuitās behavior match the gate that outputs 1 only when both inputs are 1, or the gate that outputs 1 when either input is 1?
⢠Be sure you can sketch the truth table for Y for all four input combinations (A,B) = 00, 01, 10, 11. ⢠Confirm whether any transistor symbol is present in figure 1; that immediately eliminates some answer choices. ⢠Verify that the logic family name: "diode logic" versus "resistor transistor logic" (RTL), matches the actual components used in the figure.
No comments yet
Be the first to share your thoughts!