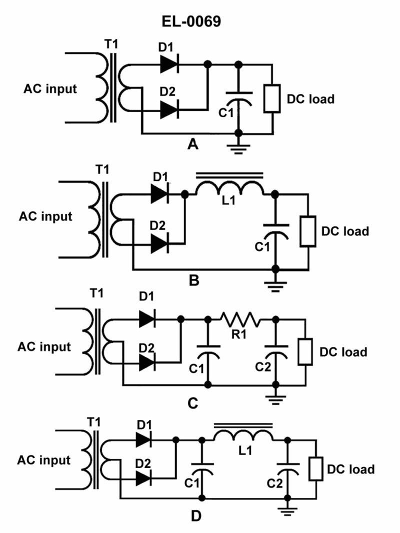
All of the schematic diagrams shown in the illustration represent which of the listed solid-state circuits? See illustration EL-0069.
All of the schematic diagrams shown in the illustration represent which of the listed solid-state circuits? See illustration EL-0069.
No comments yet
Be the first to share your thoughts!