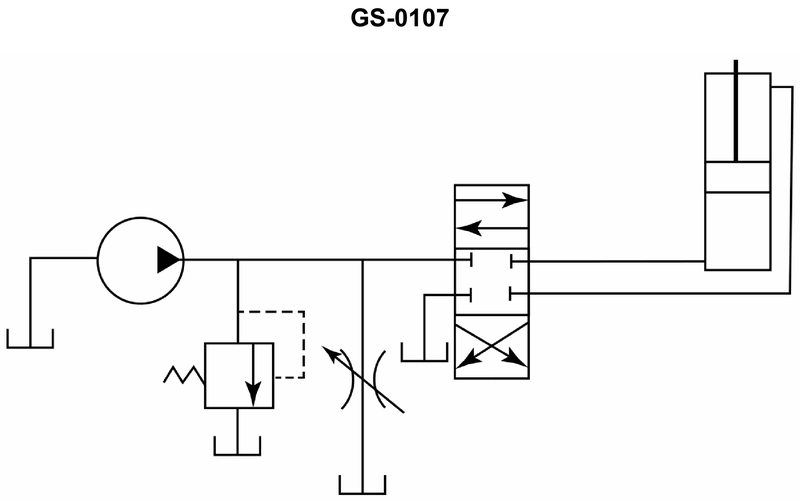
A simple hydraulic system is made up of a pump, relief- valve, manual-control valve, and a linear actuator. If the piping connected to the actuator 'cap end' is accidentally crushed to one half of its diameter, this will result in __________. See illustration GS-0107.
• Relationship between flow rate (Q) and actuator speed: (v = Q / A), where A is the piston area being pressurized • Difference between the cap end (full-bore side) and rod end (rod side) of a double-acting cylinder for extension vs. retraction • Effect of a restriction in a hydraulic line (smaller pipe diameter) on flow, pressure drop, and actuator motion in both directions
• When the cylinder is extending, which side (cap or rod) is being supplied by the pump through the crushed line, and how does reduced diameter affect the flow reaching that side? • When the cylinder is retracting, which side is exhausting through the crushed line, and how does a restriction on the exhaust side influence the speed of motion? • Does a smaller pipe diameter generally make the actuator move faster or slower, assuming pump output stays the same and a relief valve limits maximum pressure?
• Identify clearly which motion uses the cap end as the pressure side and which uses it as the return side • Consider that crushing the pipe to half its diameter reduces its flow area to one quarter; think about what that does to maximum flow rate in that line • Before choosing, verify for each option whether the restriction would realistically cause more flow or less flow to and from the cap end of the actuator
No comments yet
Be the first to share your thoughts!